泡沫软油箱


泡沫软油箱
泡沫气囊罐是钢制压力容器罐装有内胆储存泡沫液.泡沫系统气囊罐提供高质量、可靠和节约成本的泡沫防火,适用于容易发生火灾事故的各个地区。水用于膀胱的外表面,取代泡沫聚集在膀胱的内部泡沫膀胱罐操作,注入到水流中。除水压外,没有外力作为泡沫气囊罐压力
安森泡沫汽泡罐主要由内胆组成自动泡沫配比系统、泡沫罐、胶囊、压力比例混合器。安全阀、进水管、浓缩泡沫出水管、泄水阀、浓缩泡沫泄水阀、空气安全阀等。
安森泡沫膀胱罐数据表
泡沫液比 3% - 6%
安装类型 水平、垂直
体积容量 200 l - 15000 l
流量 80 s / L
媒体 水、泡沫、泡沫混合器(AFFF3%)
工作压力 0.8 mpa
泡沫箱的颜色 红色或其他您要求的颜色
证书 ISO, CCC
泡沫箱材料 碳钢,不锈钢
消防泡沫罐模型 PHYM
泡沫内胆水箱附件 泡沫罐,球阀,泡沫胶囊
制造标准 gb20031 - 2005,ASMECE标记,ASTM
工作压力 0.6 ~ 1.2 mpa
公称压力 1.0 mpa
系统文本的压力 强度测试 1.5 mpa
密封测试 1.32 mpa
油箱体积 0.5 ~ 13立方米
比例混合器 PHY4 ~ PHY100
泡沫比例 3%或6%
压力降低 ≤0.15 mpa

垂直和水平泡沫内胆尺寸

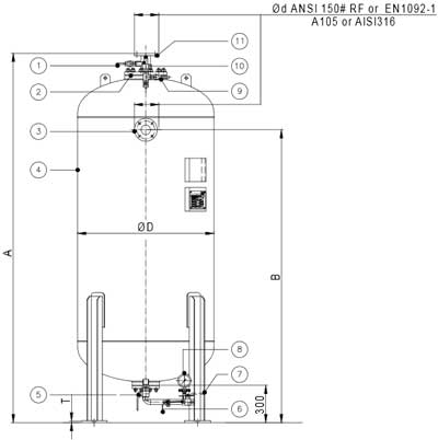
垂直泡沫膀胱罐无比例控制器

立式膀胱罐,无比例控制器
  1. 泡沫排气阀
  2. 膀胱
  3. 坦克
  4. 泡沫液面指示器
  5. 泡沫浓缩灌装/排放阀
  6. 泡沫液面指示阀
  7. 放水阀
  8. 进水口法兰
  9. 水的排气阀
  10. 热relife阀
  11. 泡沫出口法兰
  12. 接地片
立式膀胱罐,无比例控制器





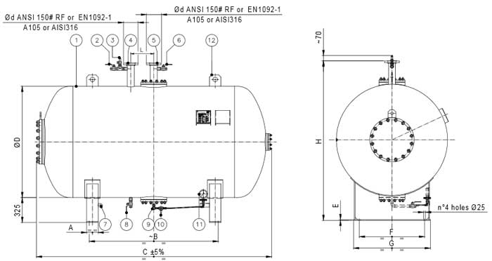
卧式泡沫膀胱罐无比例控制器

卧式膀胱罐,无比例控制器
  1. 坦克
  2. 水的排气阀
  3. 热安全阀
  4. 进水口法兰
  1. 泡沫出口法兰
  2. 泡沫排气阀
  3. 接地片
  4. 放水阀
  1. 泡沫浓缩灌装/排放阀
  2. 泡沫液面指示阀
  3. 模拟液面指示器
  4. 吊耳

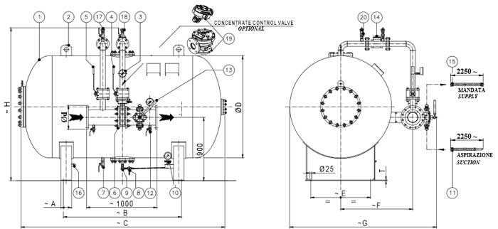
垂直预制泡沫膀胱罐

垂直预制膀胱罐
  1. 热安全阀
  2. 坦克
  3. 罐压力规
  4. 泡沫集中关闭阀
  5. 关闭水阀
  6. 比例控制器
  7. 放水阀
  1. 泡沫液面指示阀
  2. 泡沫浓缩灌装/排放阀
  3. 模拟液面指示器
  4. 泡沫泵吸水管(选配)
  5. 比率控制器泄水阀
  6. 泡沫填充泵
  7. 带止回阀的泡沫孔
  1. 泡沫泵输送软管(选配)
  2. 接地片
  3. 水的排气阀
  4. 泡沫排气阀
  5. 泡沫浓缩控制阀(选配)


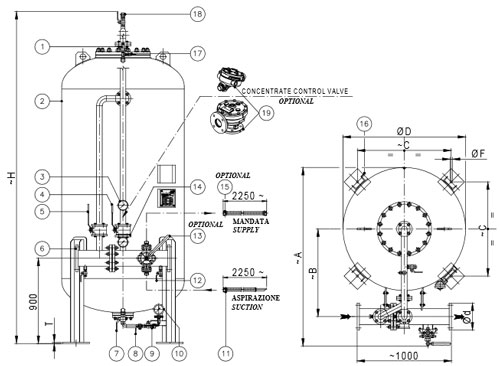
卧式预制泡沫膀胱罐

卧式预装膀胱罐
  1. 坦克
  2. 吊耳
  3. 罐压力规
  4. 泡沫集中关闭阀
  5. 关闭水阀
  6. 比例控制器
  7. 放水阀
  1. 泡沫液面指示阀
  2. 泡沫浓缩灌装/排放阀
  3. 模拟液面指示器
  4. 泡沫泵吸水管(选配)
  5. 比率控制器泄水阀
  6. 泡沫充填泵(选配)
  7. 带止回阀的泡沫孔
  1. 泡沫泵输送软管(选配)
  2. 接地片
  3. 水的排气阀
  4. 泡沫排气阀
  5. 泡沫控制阀(选配)
  6. 热安全阀

垂直预制泡沫膀胱罐,宽范围比控制器

立式预装膀胱罐,宽范围比控制器
  1. 热安全阀
  2. 坦克
  3. 罐压力规
  4. 泡沫集中关闭阀
  5. 关闭水阀
  6. 宽量程比控制器KWR
  7. 放水阀
  1. 泡沫液面指示阀
  2. 泡沫浓缩灌装/排放阀
  3. 模拟液面指示器
  4. 泡沫泵吸水管(选配)
  5. 比率控制器泄水阀
  6. 泡沫充填泵(选配)
  7. 止回阀
  1. 泡沫泵输送软管(选配)
  2. 接地片
  3. 水的排气阀
  4. 泡沫排气阀
  5. 泡沫浓缩控制阀(选配)


卧式预制泡沫膀胱罐,宽范围比控制器

卧式预制膀胱罐,宽范围比控制器

  1. 坦克
  2. 吊耳
  3. 罐压力规
  4. 泡沫集中关闭阀
  5. 关闭水阀
  6. 比例控制器KWR类型
  7. 放水阀
  1. 泡沫液面指示阀
  2. 泡沫浓缩灌装/排放阀
  3. 模拟液面指示器
  4. 泡沫泵吸水管(选配)
  5. 比率控制器泄水阀
  6. 泡沫充填泵(选配)
  7. 泡沫塑料止回阀
  1. 泡沫泵输送软管(选配)
  2. 接地片
  3. 水的排气阀
  4. 泡沫排气阀
  5. 泡沫控制阀(选配)
  6. 热安全阀
©天津安森国际有限公司